咸阳坤宁微电子研究所

咸阳坤宁防雷工程有限公司

咨询服务热线

400-800-3296

KN5043隔离式安全栅

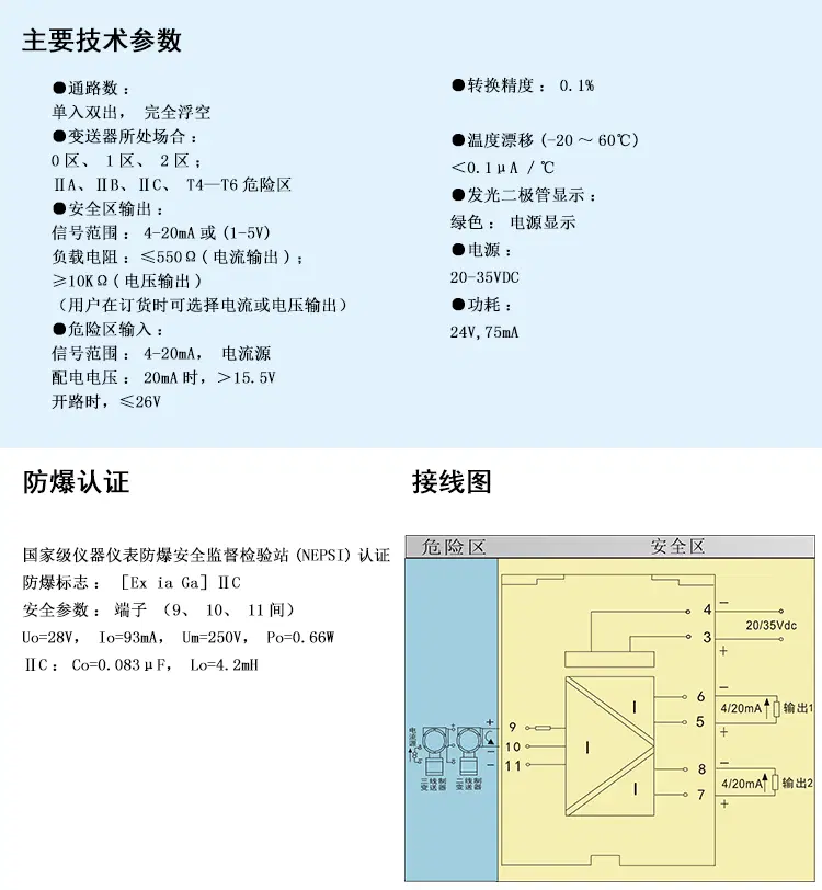
二线制、三线制变送器、电流源输入式检测端隔离栅,给危险区的变送器提供隔离电源,变送器产生的4/20mA信号(也可以是电流源信号),从危险侧隔离传送到安全侧,去驱动安全区负载。
  • 详细介绍

11

22

33

本文网址 : https://www.knwdz.com/product/41.html
标签 : 隔离式安全栅

快速导航

首页   关于我们   隔离器   安全栅   防雷产品  防雷工程  公司业绩     联系我们

联系我们

咸阳坤宁微电子研究所

联系电话:400-800-3296
手机: 18691050919

邮箱:mail@knwdz.com
网址:www.knwdz.com
地址:陕西省咸阳市咸兴路中段9号